|
Контрольный образец МО-2 для МПД
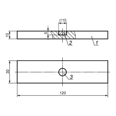
Контрольный образец МО-2 предназначен для оценки работоспособности дефектоскопов полюсного намагничивания с применением соленоида или кабеля, намотанного на объект в виде соленоида.
Образец представляет собой стальной брусок размером 120х30х10мм, на котором выполнен один искусственный дефект в виде плоской несплошности материала.
Соответствует ГОСТ Р 56512-2015 "Контроль неразрушающий. Магнитопорошковый метод. Типовые технологические процессы".
Технические характеристики контрольного образца МО-2:

1 - образец, 2 - вставка с искусственным дефектом