0 шт.  |   0 руб
0
ОБОРУДОВАНИЕ ДЛЯ ИЗМЕРЕНИЙ, КОНТРОЛЯ И ИСПЫТАНИЙ

Пн. - Пт. с 9-00 до 18-00
+7 (495) 478-03-00

info@geo-ndt.ru
КАТАЛОГ ОБОРУДОВАНИЯ

Тензодатчик BM14D

  • Тензодатчик BM14D

    /images/all/3/17467/big/img_5.jpg

    jijijij

    Тензодатчик BM14D

ЦЕНА: от 92 265 руб.
Модификации:

КУПИТЬ
ПРОИЗВОДИТЕЛЬ:
ZEMIC



Гарантия: 3 года
Внесен в Госреестр СИ.
Версия для печати
Просьба уточнять актуальность цены у менеджеров. Стоимость указана с учетом НДС 20%. Оплата производится по безналичному расчету.

Внимание! Счета выставляются при сумме заказа от 3000 руб. Мы работаем как с юридическими, так и с физическими лицами.

Осуществляем доставку по России, Казахстану, Беларуси и странам таможенного союза курьерскими службами и транспортными компаниями.

Тип оборудования: Тензодатчик

Производитель: Zemic

Модель: BM14D

Гарантия: 24 месяца + 12 месяцев от ООО «Земик Рус»

 

Описание тензодатчика BM14D: 

Применяется для изготовления/модернизации автомобильных, вагонных, многотонных бункерных весов, а также в испытательных стендах и контрольно-измерительном оборудовании. Может применяться в тяжелых промышленных условиях (щелочных и кислотных средах).

 

Технические характеристики BM14D: 

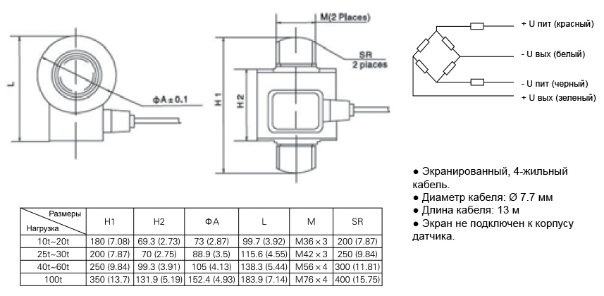
Класс точности   C2
Максимальная нагрузка (НПВ) т 10, 20, 25, 30, 40, 50, 100
Максимальное количество поверочных интервалов nmax 2000
Минимальный поверочный интервал Vmin 5000
Общая ошибка % от НПВ ± 0.030
Предельная нагрузка % от НПВ 150
Разрушающая нагрузка % от НПВ 300
Баланс нуля % от НПВ ± 1.0
Выходная чувствительность мВ/В 1.5 ± 0.003
Входное сопротивление Ом 700 ± 7
Выходное сопротивление Ом 703 ± 4
Сопротивление изоляции МОм ? 5000 (50VDC)
Диапазон напряжения питания В 5 ~ 12 (DC)
Максимально допустимое напряжение питания В 18 (DC)
Диапазон термокомпенсации °С – 10 ~ +40
Рабочий диапазон температур °С – 35 ~ +65
Температура хранения °С -40 ~ +70
Материал   Нержавеющая сталь
Класс пылевлагозащиты   IP68
Взрывозащита (опция) Vmin
II1G Ex ia IIC T4 II1D Ex iaD 20 T73°С II3G Ex nL IIC T4

 

Размеры BM14D: 

 

Модели BM14D: 

  • BM14D-С2-10t-20B
  • BM14D-С2-20t-20B
  • BM14D-С2-25t-20B
  • BM14D-С2-30t-20B
  • BM14D-С2-40t-20B
  • BM14D-С2-50t-20B
  • BM14D-С2-100t-20B
Введите число *
ЗАДАТЬ ВОПРОС
Введите число *

Я ознакомлен с Политикой конфиденциальности и выражаю Согласие на обработку персональных данных



Сертификаты


Свидетельство об утверждении типа средств измерений


ПОХОЖИЕ ТОВАРЫ

Тензодатчик HM14H1
Тензодатчик HM14H1
от 20 423 руб.
Тензодатчик BM14К
Тензодатчик BM14К
от 36 167 руб.
Тензодатчик BM14A
Тензодатчик BM14A
от 38 204 руб.

Тензодатчик BM14D

Тип оборудования: Тензодатчик

Производитель: Zemic

Модель: BM14D

Гарантия: 24 месяца + 12 месяцев от ООО «Земик Рус»

 

Описание тензодатчика BM14D: 

Применяется для изготовления/модернизации автомобильных, вагонных, многотонных бункерных весов, а также в испытательных стендах и контрольно-измерительном оборудовании. Может применяться в тяжелых промышленных условиях (щелочных и кислотных средах).

 

Технические характеристики BM14D: 

Класс точности   C2
Максимальная нагрузка (НПВ) т 10, 20, 25, 30, 40, 50, 100
Максимальное количество поверочных интервалов nmax 2000
Минимальный поверочный интервал Vmin 5000
Общая ошибка % от НПВ ± 0.030
Предельная нагрузка % от НПВ 150
Разрушающая нагрузка % от НПВ 300
Баланс нуля % от НПВ ± 1.0
Выходная чувствительность мВ/В 1.5 ± 0.003
Входное сопротивление Ом 700 ± 7
Выходное сопротивление Ом 703 ± 4
Сопротивление изоляции МОм ? 5000 (50VDC)
Диапазон напряжения питания В 5 ~ 12 (DC)
Максимально допустимое напряжение питания В 18 (DC)
Диапазон термокомпенсации °С – 10 ~ +40
Рабочий диапазон температур °С – 35 ~ +65
Температура хранения °С -40 ~ +70
Материал   Нержавеющая сталь
Класс пылевлагозащиты   IP68
Взрывозащита (опция) Vmin
II1G Ex ia IIC T4 II1D Ex iaD 20 T73°С II3G Ex nL IIC T4

 

Размеры BM14D: 

 

Модели BM14D: 

  • BM14D-С2-10t-20B
  • BM14D-С2-20t-20B
  • BM14D-С2-25t-20B
  • BM14D-С2-30t-20B
  • BM14D-С2-40t-20B
  • BM14D-С2-50t-20B
  • BM14D-С2-100t-20B
92265 RUB
В наличии
Цены носят справочный характер и не являются публичной офертой, определяемой положениями п. 2 ст. 437 ГК РФ.
Технические характеристики (спецификация) оборудования, внешний вид и комплект поставки могут быть изменены производителем без предварительного уведомления.
Во избежание недоразумений просьба уточнять у специалистов отдела продаж. © 2026

Отправляя свои данные в любой форме обратной связи на сайте geo-ndt.ru Вы принимаете условия политики конфиденциальности и даёте согласие на обработку персональных данных.